广播发烧网欢迎您!
请登录
免费注册
网站首页
玩机交流
收音机
交流
评测
故事
机型研究
电路及维修
相关附件
电波动态
动态
BCL
QSL
数码时代
网络收音机
智能收音机
收音机APP
关于本站
关于本站
免责声明
联系我们
机型研究
一个专门探讨收音机、无线电资源的广播发烧友网站 —— www.5BCL.com
首页
机型研究
电路及维修
机型研究
电路及维修
相关附件
电路及维修
找出PL600破音的原因了
作者:
EIVS
日期:
2008-02-25
人气:
2278
来源:
广播爱好者论坛
添加:
5BCL.com
我的PL600戴耳机听FM,在大动态音乐时会破音,很难受
原以为是中频或者鉴频没有调好,结果调了一下没有改善。
把耳机接到示波器的CH-1输出端,用示波器当放大器
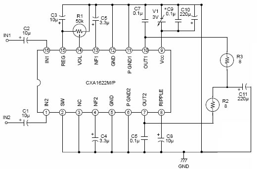
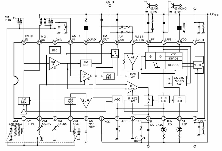
接到TA2057的19脚,FM OUT,此时声音相当好,高音很亮丽,原来听不到的高音细节现在都听见了,底杂很低,简直和CD有一拼
接到12或13脚,声音变暗淡了很多,但也很不错。绝对没有爆音。
难道是音频放大出问题?
通过示波器在接到PL600的耳机输出单,还是严重的破音,看波形到一定的频率都截止了
仔细分析发现PL600里面接法是这样的:
请问各位大侠这种和官方的图有什么区别?
0
赞
0
踩
付款方式
×
支付:0.00元
广播发烧网 © 2007-2026 www.5bcl.com, All Rights Reserved.
苏ICP备06057363号
网站地图
在线留言
返回顶部