前注:此篇原文系《无线电》2004.4潘云中先生的文章,潘先生致力于FM接收机模块的设计分析,仔细阅读潘先生的文章,他的设计思想是我们大家学习的榜样。今将此篇扫描下来,写在CR-100电视伴音收音机即将发售之际,仅供德生收音机论坛网友以及德生电视伴音后继发展方向:用专业的电视广播调频头设计伴音收音机作参考。请大家不要在其他网站转载。谢谢.
全频段FM接收机的制作
全频段FM接收机的制作在很多文章中均有介绍,但大多缺少FM立体声解码和视频信号输出。为此,笔者设计制作了一种具有FM立体声和视频信号输出的全频FM立体声、,rV接收机。可接收到全频段带增补频道电视节目和45一870MHz频段的附广播。本机设置立体声解码电路后,具有双声道输出,能够良好地再现接收的立体声电台的音质。特设的视频输出端子可以把接收机作为一个带全增补频道的选台器,故该机可作为一个TV单独听使用。
工作原理
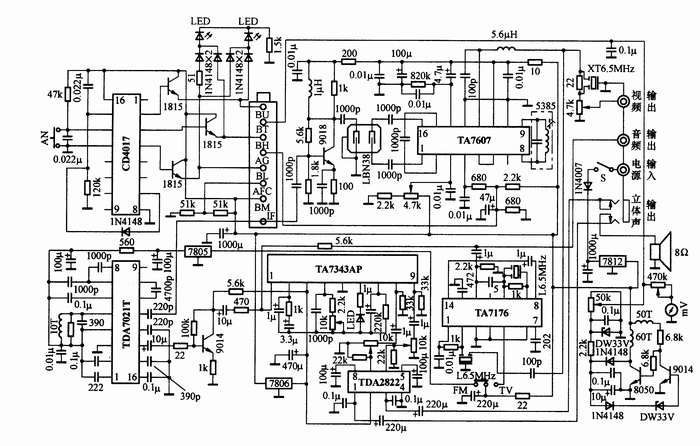
该机电路原理如附图所示:
高频头将接收到的FM或TV信号进行放大、混频等处理后,在IF端输出38MHz全电视中频信号和31. 5MHz的伴音中频信号。其中31 .5MHz伴音中频信号分为两路:一路由集成电路TDA7021等组成的FM/ TV伴音处理电路进行二次变频,并将变频产生的76kHz第二中频信号进行放大、鉴频等处理后得到的音频信号由⑩脚输出,经由晶体管如14等组成的音频放大器放大到一定幅度后,送人立体声解码电路。立体声解码电路由集成电路TA7343等组成,将输人的复合立体声信号解调,分离左、右两路信号,并由⑧、⑨脚输出。经音量电位器送入双声道功率放大器。双声道音频功率放大器由TDA2822等组成。经放大后的音频信号由立体声插座输出。其中有一路经立体声插座后送人本机扬声器监听;与此同时,高频头输出的38MHz全电视中频信号及31 .5MHz的伴音中频信号,由TA7607等组成的图像通道电路进行放大、检波等处理,在其⑩脚输出复合全电视视频信号和6 .5MHz伴音中频信号。
复合全电视视频信号由XT6. 5MHz陷波器滤除6. 5MHz伴音中频信号后,得到全电视视频信号经4 .7k微调电位器进行幅度调整,由视频插座输出。6 .5MHz伴音中频信号由6. 5MHz滤波器滤除视频信号,送人由TA7176等组成的TV伴音处理电路进行伴音中频放大、鉴频和音频放大,由⑩脚输出。其中一路音频信号经5.6k电阻祸合至立体声解码电路,由本机双声道音频功率放大器放大,作TV单独听使用。另一路由伴音输出插座输出。本机的FM/ TV切换开关拨至FM位置时,TA7176断电停止工作,TDA7021则接通电源,可收听FM广播和TV伴音。拨至TV位置时,可作为全增补频道电视选台器使用。
由于本电路设置有AGC控制电路,其接收效果比一般选台器好。本机采用了三只三端稳压集成电路供电。其中7805为TDA7021供电。7806为TA7343,TDA2822供电。本机用电压表作调谐指示,根据电压表指针位置,确定接收频率。高频头频段电子切换开关和33V升压逆变电路工作原理请参考有关资料,本文不再赘述。
元件选择与调试
为了保证接收效果,高频头应选用45一870MHz带全增补优质高频头。集成电路TA7607不能用TA7611直接代换,如需代换,TA7611的AGC输出脚应加装倒相
器。TDA7021本振调谐回路线圈用0.5-0.6mm漆包线在Φ4mm左右圆棒上绕ro匝脱胎而成。升压逆变器用Φ0.15-0.25mm漆包线在Φ6-8mm 小磁环上绕制,其数据见图中附注。调节选台电位器用多圈50KΩ电位器,要求阻值大于20kΩ以上。调谐指示电压表尽量选用刻度盘较大的表头。其他元件按图附注选择,宜用正品。
本机只要元件选择正确、制作焊接无误,稍加调试就能满意工作。调试第一步:把FM/TV开关拨向TV接收位置,把有线电视(或室外电视接收天线)信号接入高频头输人端,将音、视频输出信号与电视机(或监视器)AV端口连接好,接通电源,调节选台电位器,待接收到电视信号后,用螺丝刀调节TA7607⑧、⑨脚之间的回路线圈,使图像和伴音最佳;调试第二步:上述调试结束后,把FM/TV开关拨向FM接收位置,用塑料片拨动TDA7021第④、⑤脚之间的本振线圈间距,使之能够收听到TV伴音节目为止。最后按动频段选择开关AN,将频段选择在L段,调节选台电位器,在88一108MHz范围内接收一熟悉的FM立体声电台信号,用螺丝刀调节TA7343④脚连接的10kΩ微调电阻,使⑥脚连接的FM立体声指示灯LED点亮。上述整个调试过程结束后,还需调节与调谐电压指示表串接的47kΩ微调电阻,使调谐电压最大时表头指示满度。这样,整个调试过程全部结束。
本机用变色发光二极管作L、H、U三个频段显示,十分醒目。按动频段选择开关AN,变色发光二极管显示三种颜色变化。本机接收灵敏度较高,笔者在桂林市周边县收听,只需40cm导线作天线,就能稳定接收中央、广西、桂林及当地FM电台广播。接人有线电视信号后,所有有线电视节目均能接收。

