
大家好,欢迎来到拆机现场,注意不是开箱,不是开箱,不是开箱!
先脱掉绿色外套
正面

背面

取出电池,再拧下四颗螺丝的音腔盖,这样就已经看到了主板全貌。

下面开始看看都用了哪些芯片?

红色圈内为主控,主板核心控制芯片X2670,来自北京君正集成电路股份有限公司的X2600系列多核跨界物联网处理器。
橙色圈内为程序芯片F35SQA001G,来自深圳市江波龙电子股份有限公司,容量为1Gbit【128MB】的SPI NAND FLASH。

来自珠海市杰理科技股份有限公司的音频蓝牙芯片。个人能力有限,全网搜索未见其介绍资料。

此模块主控芯片AIC8800D40L来自爱科微半导体有限公司,支持WiFi6 2.4GHz/5.8GHz,BLE5.4,注意这里的BLE是低功耗数据蓝牙,不是音频蓝牙。

LE270-CN模块来自深圳市广和通无线股份有限公司,一款高性能LTE Cat1 bis无线通信模组,支持国内运营商4G频段LTE FDD:1/3/5/8,LTE TDD:B34/38/39/40/41,经过查看相关资料确认它是只支持4G网络。
扩展知识:什么是4G Cat1
4G Cat1是指第四代移动通信技术中的一种分类,Cat1代表的是Category 1(类别1)。这是4G LTE网络中的一种速度等级,它比Cat4(4G LTE最常见的速度等级)的下载速度要慢,但比3G网络的下载速度快。具体来说,Cat1的峰值下载速度大约为10Mbps,上传速度约为5Mbps。这种速度等级适合于对数据传输速度要求不是特别高的应用场景,比如一些基本的物联网设备、移动支付终端等。Cat1的优势在于它的功耗较低,成本也相对较低,这使得它在一些对成本和电池寿命有较高要求的设备中非常受欢迎。

CS83702E是来自上海智浦欣微电子有限公司的一款适用于单节锂电池供电应用,固定增益,带三种防破音模式,AB/D切换,静音功能,内置BOOST升压模块的R类单声道音频功率放大器。


根据芯片规格书介绍,在搭配4Ω喇叭+4.7uH电感的情况下,在D模式且防破音关闭时,功放可以输出10.3W的功率,够用。而搭配2Ω+22uH,在D模式且防破音关闭时,可达到19W。

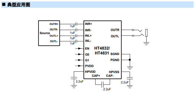
HT4832是来自禾润电子科技(嘉兴)股份有限公司的一款33mW免输出电容立体声耳机放大器。具有出色的低频表现和优良的噪声性能。该放大器无需大尺寸输出隔直电容,支持差分和单端输入,并具备多种保护功能。

ETA6912是钰泰半导体股份有限公司的产品,但在其官网未发现此型号,只见ETA6911。

AP4435A是来自深圳市永源微电子科技有限公司的一颗30V P沟道场效应管。

以上就是拆机的基本情况了,可以发现4G/WiFi/BT分别是三个模块,对应三个模式,即4G模式/Wi-Fi模式/蓝牙模式,而TF卡模式是主控支持的,由此可以猜到续航相对强的原因,因为未用到的模式可以直接断电。
为什么这么说呢,是结合使用蓝牙和读卡模式时屏幕右上角显示的时间来判断的,开机直接选择蓝牙或读卡模式,此时显示的是当前模式已使用时间,并非北京时间,而在切换到联网的模式后再切回来,此时显示的就是北京时间了。