用ESP32让普通喇叭变成网络音箱,功耗还低得惊人!
你有没有遇到过这种情况:想在院子里装个喇叭,用来播放鸟叫声提醒或者门铃通知,但拉电线太麻烦,电池又撑不了几天?
说实话,我折腾过不少所谓的“智能音箱”,要么功耗大得离谱,要么设置复杂到让人想砸电脑。但最近挖到一个开源项目,属实把我惊艳到了——WiFiSoundNode。
它到底是干啥的?
简单说,这就是个能让普通喇叭通过WiFi播放声音的小板子。你可以把它想象成一个专门为低功耗设计的网络音频接收器。
项目最初是为了配合鸟类识别系统用的——当摄像头拍到鸟儿,就通过这个设备播放特定的鸟叫声(听起来有点套娃,但确实是个正经用途)。不过开发者很良心,把它做成了完全独立的设备,你想怎么玩都行。
核心功能:不只是能响
两种播放方式:
-
• 存进去放:把.WAV文件传到板子的文件系统里,随时调用 -
• 流式播放:通过HTTP POST直接往设备扔音频数据,实时播放
控制方式巨简单:
就是最基础的HTTP请求,比如访问http://设备IP/play?file=通知.wav,它就开播了。想停就访问/stop,想看电量就访问/battery。
最骚的是功耗控制:
-
• 待机状态:约0.1W -
• 深度睡眠:几乎0W
这意味着什么?用两节18650电池,理论上能撑好几个月。

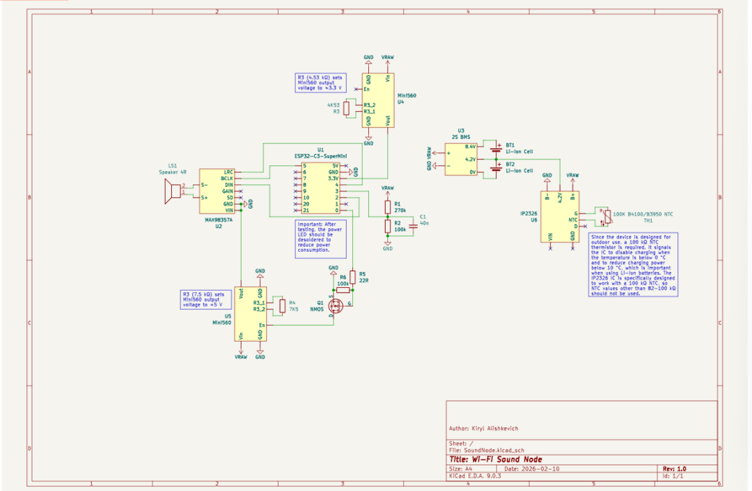
硬件怎么搭?
说实话,这可能是最劝退新手但也最吸引DIY玩家的部分。你需要准备:
-
• ESP32开发板(随便哪种都行) -
• I2S音频放大模块(推荐MAX98357A,稳得很) -
• 喇叭一个 -
• 电池和相关电源管理电路
有个血的教训要分享:接地一定要处理好!
作者踩过的坑是——音频时有时无,或者只出高频噪声,查了半天发现是接地问题。所有模块必须共用一个低阻抗的公共地,最好用星形接地,别把信号地跟大电流回路搅在一起。
电池管理:这才是真正的亮点
说实话,如果只是个能响的网络音箱,这项目没什么特别的。但它的电池管理做得相当讲究。
针对ESP32 ADC的校准方案
用过ESP32的都知道,它的ADC(模数转换)精度...emmm...只能说凑合用。直接读电压能差出0.4V,这对电池保护来说是致命的——要么过早关机浪费电量,要么过放损伤电池。
WiFiSoundNode用了两级校准:
第一级是全局增益校准:用万用表测真实电压,跟设备读数对比,算出一个校准系数。
第二级是分段非线性补偿:ESP32的ADC在不同电压段误差不一样,所以分三段分别校准:
-
• 高电压区:轻微补偿 -
• 中电压区:中等补偿 -
• 低电压区:加强补偿
这样搞完,电压读数就靠谱多了。
电池配置灵活
默认配置是针对2串锂电的(最高8.4V,截止约5.8V)。但你想用1串、3串,或者磷酸铁锂、镍氢电池都行,就是要重新算分压电阻和修改电压阈值。
关键提醒:分压电路必须保证最高电池电压时,ADC输入不超过2.5V(ESP32-C3的极限),否则不是精度问题,是直接烧引脚。
省电技巧大集合
如果你也想复刻或者自己玩,这几个省电技巧记好了:
-
1. WiFi调低功率:默认就设在8.5dBm,够用就行 -
2. CPU降频:80MHz足够稳定跑Web服务,再低就容易翻车 -
3. 定时深度睡眠:设个夜间模式,比如晚上10点到早上6点彻底关机 -
4. 控制功放供电:用EN脚控制5V转换器,不用时彻底断电 -
5. 拆掉指示灯:每个LED都是电老虎(相对而言)
测试模式和生产模式要分开编译,把调试标志关了能省不少电。
实用小贴士
室外安装:一定要用密封盒,接口要做好防水。锂电池怕冷,零下20度以下别充电,容量还可能掉一半。
WiFi稳定性:不同ESP32模块差异挺大,有的连不上可能要等半小时(真事儿)。如果接受不了,换块板子试试。
深度睡眠后:设备会完全重启重新连WiFi,所以如果需要准点工作,最好提前半小时唤醒。
低电保护:电压太低时会睡10分钟再检查,插上充电器别着急,得等它醒过来才知道电来了。
怎么上手?
基本步骤:
-
1. 把.WAV文件放 data/文件夹(推荐16位22050Hz采样率) -
2. 上传文件系统: pio run -t uploadfs -
3. 刷固件: pio run -t upload
配置文件要自己从config.h.example复制出来修改,主要是引脚定义和电池参数。
写在最后
说实话,这项目不是给小白准备的,需要一定的动手能力和基础。但如果你正好需要一个低功耗、可控、能接入自家系统的网络音频节点,它绝对值得一试。
比起市面上那些动辄几百块的“智能音箱”,几十块钱的ESP32加上这个开源固件,能干的事一点不少,功耗控制甚至更优。这不就是DIY的乐趣所在吗?
最后提醒一句:如果遇到音频不响,先检查接地;如果电池读数不准,先做校准。这两个坑我替你踩过了。
项目地址在这:https://github.com/uxabix/WiFiSoundNode