重温美国收音机黄金时代的十大巅峰之作(2)
1936年9月9日,为期10天的全美无线电与电气展览会(National Electrical and Radio Exposition)在纽约大中央宫殿拉开帷幕,来自辛辛那提的Crosley无线电公司首次展示了新款全波段高保真收音机,由37个(早期曾介绍为36个)真空管驱动6组扬声器,搭配造型精美的巨型豪华机箱,售价高达1500美元。毫无疑问,这款无线电收音机领域的新王者成为了整个展会最引人注目的展品。10月2日,Crosley正式发布了这一扛鼎之作。因机身体积庞大、功率强劲,公司总裁Powel Crosley Jr. 将其命名为WLW Super Power,以此匹配和象征公司旗下全球功率最大的500千瓦WLW广播电台。Crosley WLW机箱高4英尺10英寸(约1.47米),宽42英寸(约1.07米),深22英寸(约0.56米),整机重475磅(约215.5千克)。其1500美元的标价在当时足以买下三辆福特标准版双门轿车。这台机器纯粹是大众平价品牌Crosley不计成本的炫技之作,旨在实现Powel Crosley Jr. 设定的超越Zenith Stratosphere 1000Z的宏伟目标。
Crosley WLW是收音机领域的终极之作,是过剩工程学的教科书,收音机中所有可能的尖端配置和创新功能都包含在内,它将收音体验提升至前所未有的高度。其内部拥有37个真空管,仅次于E. H. Scott的Quaranta。由于系统过于复杂,Crosley WLW内部并非如普通量产机那样只有一个底盘,而是分成了4个独立的功能底盘:第一底盘集成超外差接收电路与前置音频放大器,自动音效调节系统亦整合于该单元;第二底盘为音频功率放大器与麦克风前置放大器的组合体;第三底盘为音频功率放大器提供电源;第四底盘则为扬声器励磁线圈供应直流工作电源。所有底盘及其安装的所有可能的部件都做了镀铬处理。Crosley WLW接收频率覆盖540千赫至18300千赫,分三个波段连续可调。搭配6个分属不同声道的扬声器实现可调的全频段高保真播放性能:低频输出通道采用1只重达85磅(约38.6千克)的18英寸Jensen剧院级扬声器,频率响应范围约为20赫兹至400赫兹,最大输出功率约40瓦;中频输出通道配备两只12英寸扬声器,频率响应范围约为300赫兹至3000赫兹,最大输出功率约18瓦;高频输出通道则搭载3只振膜式小型高频扬声器,标称频率响应范围为2500赫兹至12000赫兹,实测可还原高达25000赫兹的高频信号,其输出功率约12瓦。整机输出功率达50至75瓦,超强声浪足以撼动整栋建筑,当然也可以调低音量至扶手椅或客厅级别,整个音量范围内都能完美保留录音室音乐的原始表现力。Crosley WLW配有12英寸航空式调谐刻度盘,搭载双速调谐刻度盘驱动系统,无需双旋钮设计,即可实现调谐旋钮的快慢速调节,调谐指示管为一只氖管,用于指示谐振状态。Crosley WLW还搭载了Crosley工程师研发的各类高端功能:自动音效调节、低音补偿、六级音调调节、各频段独立音量调节以及“神秘之手”自动频率调谐等等。除核心的收音功能外,该机还内置了独立操控的专业扩音系统用于公共广播。Crosley WLW的巨大机箱更是木工技艺的旷世杰作,采用了7种不同的昂贵木材贴面,工艺之精湛难以言表。Crosley WLW不仅是收音机,更是美国工业“更大、更强、更多”精神的具象化。
首台Crosley WLW大功率旗舰收音机的订单,由Crosley收音机田纳西州Nashville与Chattanooga分销商、Gambill分销公司总裁Wheless Gambill率先在产品推出时敲定。这款惊艳四座的收音机所到之处皆掀起轰动,也让Crosley全系机型牢牢占据了大众的视线。它是收音机展览会、圣诞公益募捐活动、高级影音器材店、大型家具公司中无可争议的焦点所在,观者无不为之驻足,惊叹于它那极致细腻的音质,直言从未听过如此美妙的声音。从未有一款产品能引发如此高的关注度,Crosley此前在电台、报纸等渠道做的所有广告,带来的品牌推广效果都远不及这款WLW收音机,它带动了Crosley一众常规款机型的热销。而Crosley WLW本尊的产量则是个谜,可以肯定的是极低,目前已知的存世量可能只有3至5台。无论是首次现身还是流转有绪,Crosley WLW一旦展露真容,必能牵动一众藏家心弦,迅速成为圈内热议不绝、竞相追逐的绝对主角。在Crosley的产品线中,WLW是无与伦比的终极超豪华版,没有任何其他型号能与之比肩。
Crosley WLW相关图片:

Powel Crosley Jr.(1886-1961)

能查到的关于36管旗舰机的最早报道,来自《The Tennessean》1936年8月11日第12版。文字翻译:
公司发布全新 36 真空管收音机
自收音机这一奇妙装置问世以来,收音机制造商们已取得了无数了不起的进展,但追求极致的脚步从未停歇。收音机领域几乎每天都有新功能问世,而工程师们也无时无刻不在钻研无线电技术的复杂原理,探索全新的改进方向。
知名 Crosley收音机的代理商 ——Gambill分销公司,今日宣布在无线电领域取得又一项革命性突破。今年 5 月首次亮相的 1937 款系列机型中,最具创新性的产品是一套内置公共广播系统的完整收音机设备。这款 36 真空管收音机配备了最先进的技术配置。
公司负责人宣布,这款全新收音机将于 8 月 18 日起在Gambill分销公司展出,届时欢迎公众到场聆听演示。

提及36管旗舰机的广告,来自《The Pittsburgh Press》1936年9月1日第7版。

能查到的关于37管旗舰机的最早报道,来自《The Knoxville News Sentinel》1936年9月27日第50版。文字翻译:
豪华款Crosley收音机售价高昂;配备 37 只真空管
辛辛那提市的Crosley无线电公司正在纽约举办的全国电气与无线电博览会上展出一台据信是全球售价最高的收音机。这款超豪华机型配备 37 只真空管和 6 只扬声器,标价 1500 美元。由于公众对这台收音机兴趣极高,Crosley经销公司经理Fielding Robinson不得不让人用围栏将 WLW 展区内摆放这台收音机的区域隔离起来。

来自《San Antonio Light》1936年10月18日第64版。文字翻译:
大师级表现者
上图展示的是Crosley无线电公司刚刚发布的全新 37 管豪华型 WLW 超强功率收音机,该机型是其 1937 年推向市场的众多机型中性能最出色的产品之一。这款巨型接收机配备 6 只扬声器,其中包含 1 只直径 18 英寸的扬声器,整机重 475 磅,高度为 4 英尺 10 英寸。

来自《The Akron Beacon Journal》1936年10月29日第20 版。文字翻译:
全新Crosley机型亮相
图中是Crosley最新款收音机 ——WLW 落地式,型号 3716。该设备配备 37 个真空管与 6 只扬声器。这款新品可接收美国本土、境外、警用、业余无线电、航空及海上船舶广播信号。该机型在阿克伦市由Hower大厦的Franklite公司负责分销。

来自《The Charleston Daily Mail》1936年11月15日第32版。文字翻译:
一台 37 管 Crosley 收音机
这是辛辛那提Crosley无线电公司近期发布的全新 37 管豪华款 WLW 超强功率收音机。这款收音机配备 6 只扬声器,其中 1 只直径为 18 英寸,整机重量略超 475 磅。机身机柜高 4 英尺 10 英寸、宽 42 英寸、深 22 英寸。
这款超级收音机的调谐度盘直径为 12 英寸。
该接收机可覆盖从最低到最高频率的全频段音乐信号。Crosley 仅限量生产该机型,供需要大功率输出的礼堂与大型场馆使用。这款机型是 Crosley 有史以来定价最高的收音机,售价为 1500 美元。

37 管收音机-Crosley开拓路上的又一里程碑,来自1936年11月15日的《Crosley Broadcaster》。文字翻译:
37 管收音机 ——Crosley 开拓史上的又一里程碑...
辛辛那提的Crosley无线电公司刚刚推出了这款顶级收音机。这是全新的豪华款37管收音机,配备6只扬声器及多项创新功能,将收音机接收性能提升到了前所未有的高度。其接收频段为540千赫至18,300千赫连续覆盖,分为三个波段。功率输出为50至75瓦,标价1500美元。Crosley无线电公司总裁Powel Crosley, Jr.因其庞大的体积与强劲的功率,将其命名为WLW Super-Power Model,以此象征这座功率达500,000瓦、全球最强的广播电台。
其中1只扬声器直径为18英寸,用于重放低音频段;两只12英寸扬声器负责中音频段;3只小型高频振膜扬声器负责高音频段的高音与泛音。除调谐指示灯用管与自动音效调节管外,所有电子管均为金属管。
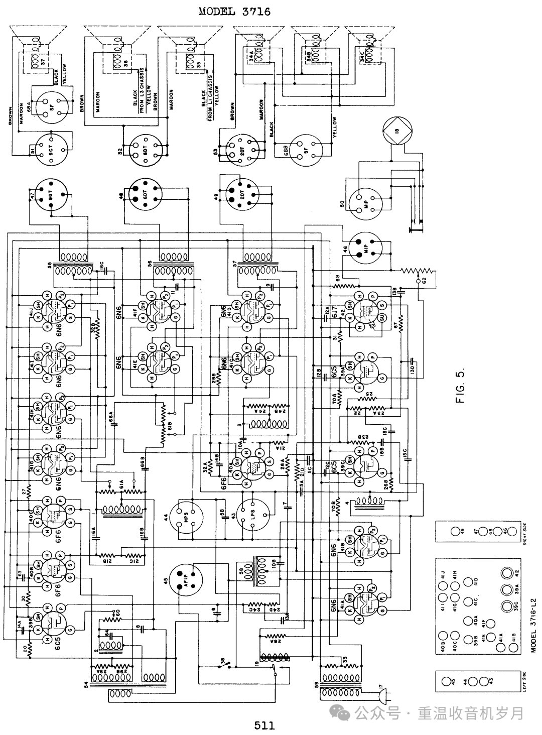
整套设备的布局需要4个独立底盘。
这款超强功率收音机的卓越性能,源于其电路可重放最高达20,000赫兹的音频,实测可重放高达25,000赫兹的信号。接收机的低频下限为20赫兹,可还原管风琴的最低音,即音域中的最低音。
该设备配备自动音效调节、低音补偿、六段音调控制,以及针对低音、中音、高音各音频段的独立音量控制、自动调谐用“神秘之手”等多项由Crosley工程师研发的功能。除收音机主机外,还内置公共广播系统。
机箱高4英尺10英寸,宽42英寸,深22英寸。整机重475磅,配备12英寸飞机式度盘。
机柜本身是家具工匠的杰作,其工艺之精湛难以用言语准确形容。
首批WLW Super-Power收音机的订单,由Nashville与Chattanooga, Tenn.的Crosley经销商Gambill分销公司总裁Wheless Gambill下达。
右下角图片:当然,当天的重头戏非感恩节晚餐莫属,但许多人会为珍品展厅里的这满满好物(指Crosley WLW收音机)而心怀感恩。

Crosley WLW收音机广告,来自《The Indianapolis Star》1936年11月22日第54版。

Crosley WLW收音机广告,来自《The Times Picayune》1936年12月6日第8版。

Crosley WLW收音机广告,来自《Bristol Herald Courier》1936年12月10日第9版。

Crosley 37 管收音机介绍,来自《All Wave Radio》1936年12月号。文字翻译:
Crosley 37管接收机
收音机领域的“巅峰之作”,由辛辛那提的Crosley无线电公司全新推出。这是一款37管收音机,配备6只扬声器及多项创新功能,将收音机接收性能提升到了前所未有的全新高度。其接收频段连续覆盖540千赫至18,300千赫,划分为3个独立波段,功率输出为50至75瓦。Crosley无线电公司总裁Powel Crosley, Jr.为其命名为WLW Super-Power Model,以此象征那座功率达500,000瓦、全球功率最强的广播电台。
其中1只扬声器直径为18英寸,用于重放低音(低频);另有两只12英寸扬声器,负责中音(中频音乐)的重放;3只尺寸更小的高频振膜式扬声器,负责高音(高频)段的高音与泛音的接收重放。除调谐指示灯用管与自动音效调节管外,所有电子管均为金属管。
整套设备的布局需要4个独立底盘:第一个底盘负责调谐、选择所需电台,以及前置音频放大;第二个底盘集成音频功率放大器;第三个底盘为音频功率放大器提供电源;第四个底盘为扬声器励磁线圈提供电源。
这款超强功率收音机的卓越性能,源于其电路可适配最高20,000赫兹的音频频率,实测可适配高达25,000赫兹的信号。但出于实用考量,其最高音频频段被限制在12,000赫兹——这一数值已远超当前广播设施的频段范围,使设备能够还原乐器的高频泛音,以及音乐与声音的所有组成成分。通常人耳无法听到16,000赫兹以上的音频,而该接收机的低频下限为20赫兹,可重放管风琴的最低音,即音域中的最低音。
该设备配备自动音效调节、低音补偿、六段音调控制,以及针对低音、中音、高音各音频段的独立音量控制、用于自动调谐的“神秘之手”,还有Crosley工程师研发的其他多项功能。除收音机主机本身外,还配备一套自带独立控制的公共广播系统。
从尺寸可直观感受其体量:机箱高4英尺10英寸,宽42英寸,深22英寸,整机总重475磅。它配备12英寸飞机式调谐度盘,除了让调谐变得简单便捷的神秘之手外,还具备时间记录等多项功能。

Crosley 37 管收音机介绍,来自《Radio Retailing》1936年12月号。

Crosley WLW正面。Dorothy Greenwell 小姐手持的是这台设备内置公共广播系统的麦克风。

Crosley WLW后部。

Crosley WLW的巨大体积。

Crosley 37 管收音机介绍,来自《Scientific American》1937年1月号。文字翻译:
Crosley 37管接收机
一款采用37个真空管、配备6只扬声器、功率输出为50至75瓦的超强功率收音机,由Crosley无线电公司推出。
该设备的布局需要4个独立底盘:第一个底盘负责无线电信号调谐,连续覆盖540至18,300千赫的频率范围,划分为3个独立波段;第二个底盘集成音频功率放大器;第三个底盘为放大器供电;第四个底盘为扬声器的励磁线圈供电。
其中1只扬声器直径为18英寸,用于重放低音频率;两只12英寸扬声器负责中音或中音乐段;3只尺寸更小的高频扬声器,用于重放高音或高频段的高音与泛音。
该接收机的音频响应范围为20至12,000赫兹。除针对低音、中音、高音各音频段的独立音量控制外,还配备音量扩展、低音补偿、六段音调控制功能,同时搭载自动调谐系统。


新型 Crosley 超强功率接收机,来自《National Radio News》1937年2月-3月号。文字翻译:
全新Crosley超强功率接收机
辛辛那提的Crosley无线电公司刚刚推出了收音机接收机领域的巅峰之作。这是全新的豪华款37管收音机,配备6只扬声器及多项创新功能,将收音机接收性能提升到了前所未有的高度。其接收频段连续覆盖540千赫至18,300千赫,划分为3个波段,功率输出为50至75瓦,标价1500美元。因其庞大的体积与强劲的功率,该机型被命名为WLW Super-Power Model,以此象征那座功率达500,000瓦、全球功率最强的广播电台。
其中1只扬声器直径为18英寸,用于重放低音(低频);两只12英寸扬声器负责中音(中频音乐段);3只尺寸更小的高频振膜式扬声器,负责高音(高频)段的高音与泛音的接收重放。除调谐指示灯用管与自动音效调节管外,所有真空管均为金属管。整套设备的布局需要4个独立底盘。
这款超功率收音机的卓越性能
这款收音机的电路可重放最高达20,000赫兹的音频,实测可重放高达25,000赫兹的信号。该接收机的低频下限为20赫兹,可还原管风琴的最低音,即音域中的最低音。
该设备配备自动音效调节、低音补偿、六段音调控制,以及针对低音、中音、高音各音频段的独立音量控制、用于自动调谐的“神秘之手”,还有Crosley工程师研发的其他多项功能。此外,还配备一套公共广播系统。
机柜高4英尺10英寸,宽42英寸,深22英寸,整机总重475磅,配备12英寸飞机式调谐度盘。
机箱本身是家具工匠的杰作,其工艺之精湛难以用言语准确形容。

Crosley 37 管收音机介绍,来自《Modern Mechanix》1937年4月号。文字翻译:
巨型收音机搭载37个真空管
这款巨型收音机由俄亥俄州辛辛那提市的一家无线电制造商研发,搭载37个真空管、6只扬声器。Dorothy Greenwell手持该机集成的公共广播系统用麦克风。
搭载37个真空管与6只扬声器(其中最大的扬声器直径为18英寸),这款由俄亥俄州辛辛那提市无线电制造商生产的收音机,是全球最大的收音机机型之一。该机高度近5英尺,重量达475磅。
这款巨型收音机拥有极大的音量调节范围,最大输出功率为75瓦,即便将音量调至普通客厅使用的水平,也不会出现音质失真。整机的工作元件需安装在4个独立底盘中。
该机可重放20至20,000赫兹的音频频率,而普通人耳无法听到16,000赫兹以上的声音。接收机的调谐度盘直径为12英寸。

巨大的收音机,来自《中华无线电》第二卷第三期,中国振华电器厂1937年3月15日出版。

世界最大三十七灯之收音机,来自《时事月报》1937 年第16卷第6期 ,1937年6月1日出版。

世界最大的收音机出现,来自《盛京时报》1938 年 1 月 30 日第7 版。

来自《News and Record》1940年11月24日第9版。文字翻译:
Huntley百货展出全球最大收音机
这台全球最大的收音机重量超过四分之一吨,将于本周前三天在Huntley百货展出。这台巨型整机重达650磅,是普通家用收音机的12倍,是Huntley百货带到Greensboro的无线电展览会的核心展品之一。
这台超级收音机搭载37个真空管与6个独立内置扬声器,可还原每一处音色细节。它是全球仅此一台的巨型收音机,制造成本高达2500美元,足见其精湛工艺与用料之足。
展会期间,来自费城的无线电技术员William Kennedy,将与位于南极附近小美洲站的Byrd南极探险队取得无线电联系。
若通讯成功,店内参观者可全程聆听通讯过程。Kennedy先生此前已多次通过无线电与Byrd探险队取得联系。他还将带来一组真空管展品,尺寸从2英寸高到1英尺甚至更高不等。
与这台巨型收音机形成鲜明对比的是,Huntley百货经理C. Hedrick邀请市民前来认识全球体型最小的人类桑德拉Sandra。尽管身高仅3英寸,这位小女孩身形健全、极具观赏性!她会唱歌、跳舞,还能与观众生动互动。纽约世界博览会上,数百万观众为Sandra的娇小身形惊叹不已——她的身高仅约一支钢笔的一半。(注:并非真人,实则为促销魔术)
除全球最大收音机与全球最小人类外,Huntley百货还展出了价值1万美元的Philco收音机藏品。这套完整藏品全面展示了美国最大收音机制造商推出的各类机型。展会的亮点是Philco最新的突破性无线电创新技术——通过光束播放音乐,一张唱片可重复播放多达700次而无损坏。
玻璃博物馆展柜中陈列着1922年与1924年款的老式收音机,与一旁的现代机型形成鲜明对比。这些早期设备直观展现了多年来收音机在设计与性能上的长足进步。
Huntley百货经理C. Hedrick先生呼吁Greensboro全体市民,于每日上午9点至下午6点,前往位于209N. Elm St. 的Huntley-Stockton-Hill百货,参观这场免费展会,一览完整的无线电展品。现场将有专业人员为观众解答这场兼具教育性与娱乐性展览的相关问题。




介绍Crosley WLW收音机的收藏回顾文章,来自《Radio Age》1984年5月号。主要内容翻译:
CROSLEY WLW
作者:Don Patterson
20世纪30年代,涌现出一大批搭载大量真空管、提升功率输出、部分标榜高保真的收音机机型,包括Scott、McMurdo Silver、Zenith Stratosphere、Wards等品牌的产品,而其中的“巨无霸”便是“Crosley WLW”——一款37管收音机。
3716型采用金属电子管,以实现最佳性能与稳定性。该机还搭载了自动音效调节管(Crosley专属技术),该真空管经特殊设计,可为重放音乐增添更鲜活的表现力。当启动“幻象控制”(phantom control)功能后,接收机的音量范围会自动扩大。
与当时大多数无线电公司一样,Crosley也为自家的最新技术命名,“神秘之手”(Mystic Hand)便是其自动频率控制技术的专属名称。
高保真(high fidelity)是当时新造的术语,指完整重放从最低到最高的所有音调,还原如原声般的自然感。钢琴键盘的最低音约为80赫兹,小提琴G弦为250赫兹,E弦的高音约为13000赫兹。当时公认的“优质收音机”频率范围为100至4000赫兹,而WLW的频率范围则达到了30至16000赫兹。
图片说明
出自Alan Woodall的藏品
上图:打开检修门的WLW收音机
左图:声道音量控制器
右图:公共广播控制器
该性能通过6只分声道工作的扬声器实现:3只高音扬声器工作于高频声道,两只12英寸扬声器工作于中频声道,18英寸大扬声器工作于低频声道。3只大扬声器的振膜为牵牛花造型,遵循指数曲线设计。
当音乐逐渐变轻柔时,低音会降至人耳可听范围以下,而中音仍清晰可闻。为补偿人耳这一被称为Fletcher效应的正常特性,Crosley采用了低音与高音音调补偿电路。当音量调低至适合小房间使用的水平时,音质会更饱满悦耳。
控制部分:
1. 保真度控制:与后文将介绍的辅助声道音量控制配合使用,可实现无限种音调组合。笔者认为这款六档控制主要用于改变中频的选择性。
2. 音量控制
3. 辅助声道音量控制:除了可调节整个系统音量大小的主音量控制外,还有三个分别调节三个独立音频声道电平的控制旋钮。这些旋钮位于面板正面,收纳在机柜左侧检修门后的内部隔舱内,分别标注为低音(Bass)、中音(Mezzo)和高音(Treble)。
4. 公共广播控制:这些控制位于机柜右侧检修门后的内部隔舱内,如图所示。面板顶部标注有“麦克风-收音机”的开关,用于切换设备的公共广播或收音重放模式。当开关拨至“A”档时,操作者可同时使用收音或公共广播功能;例如,若操作者想中断广播节目进行播报,只需按下麦克风上的按钮即可。当开关拨至“B”档时,操作者可在收听广播节目的同时使用公共广播系统。
5. 波段选择器与调谐表盘:波段选择器为三档开关,用于选择调谐表盘上三个彩色发光区域之一。蓝波段覆盖540至1800千周,红波段覆盖1.8至6兆周,绿波段覆盖6至18兆周(请原谅我,赫兹先生,我还是老派叫法)。
“双动式调谐度盘驱动技术“,无需双旋钮即可实现调台的快慢调节。当旋钮向一个方向旋转少许角度时,自动离合器会改变齿轮比,使指针转速提升5倍,反向旋转则恢复原速。
图片说明
(顶层搁板)L-1底盘;(中层搁板)高频高音扬声器与L-4底盘;(底层搁板)12英寸中音扬声器,中间为18英寸低音扬声器,左侧为L-2底盘,右侧为L-3底盘。
6. 调谐指示管:这是一只用于指示谐振状态的氖管,当电台调谐至载波中心时,氖管会明亮发光。
该接收机的机柜使其成为最大的收音机机型之一,尺寸约为高5英尺8英寸、宽4英尺。机柜顶部为L-1底盘,真空管型号与功能如下:(略,见原图)
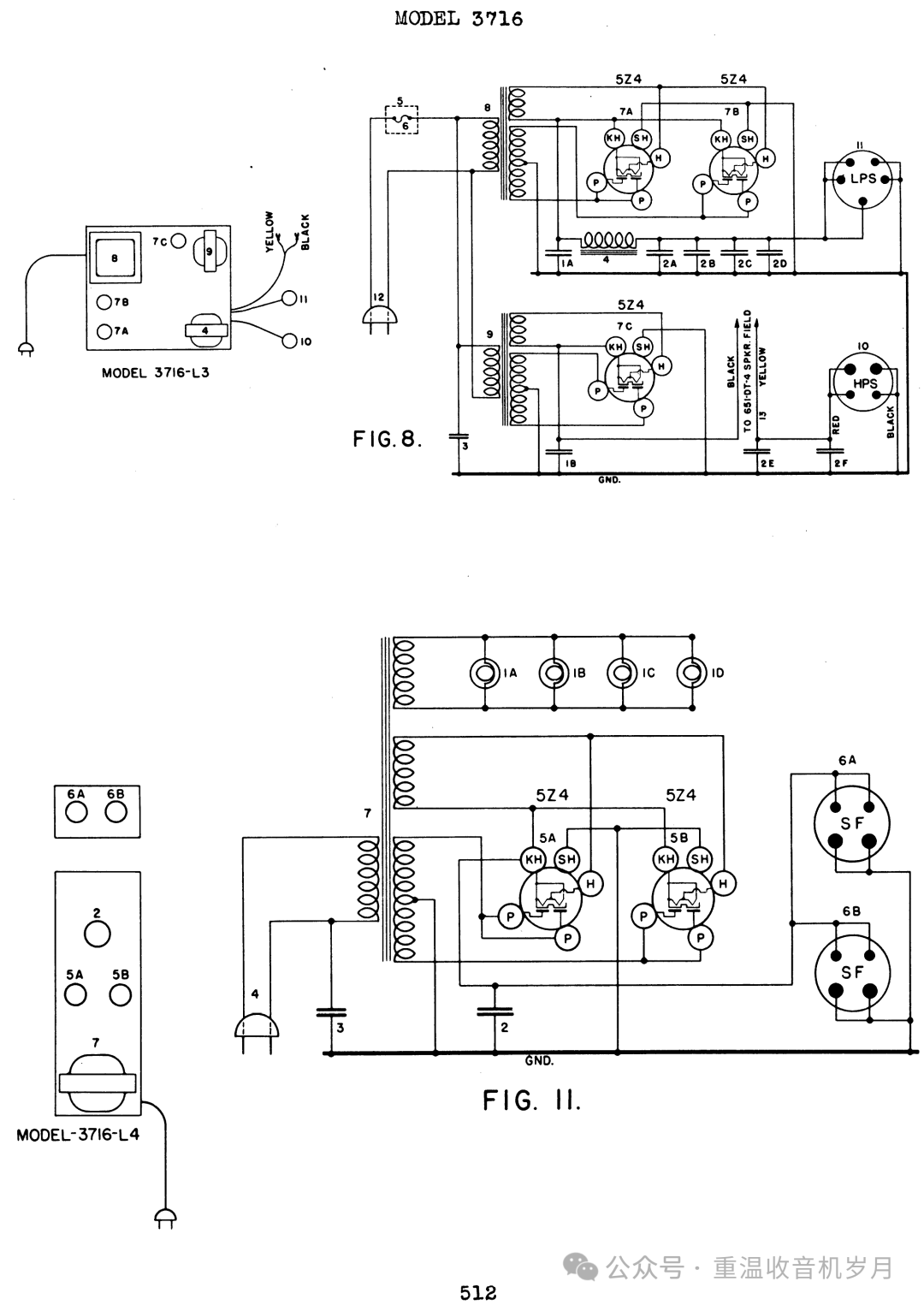
下一层搁板为高频高音扬声器与L-4底盘,L-4底盘通过两只5Z4 MG 真空管为这三只扬声器提供励磁电源。机箱底部为两只12英寸中音扬声器、18英寸低音扬声器,以及L-2底盘与L-3底盘。L-2底盘的真空管型号与功能如下:(略,见原图)
L-3底盘为L-2的所有声道提供B电源,内置三只5Z4 MG 真空管。
我相信你会认同,这款机型堪称“王中之王”——这里的“王”指的是大型收音机,而非圣经中的含义。
调谐度盘标注说明
NEON TUNING INDICATOR:氖灯调谐指示器
PHANTOM CONTROL INDICATOR:幻象控制指示器
FIDELITY CONTROL INDICATOR:保真度控制指示器
RED BAND INDICATOR:红波段指示器
TIMLOG TUNING BAND:时间记录调谐波段
STATION SELECTOR:电台选择器
VOLUME CONTROL:音量控制
PHANTOM CONTROL:幻象控制
FIDELITY CONTROL:保真度控制
BAND SELECTOR:波段选择器
BLUE BAND INDICATOR:蓝波段指示器
GREEN BAND INDICATOR:绿波段指示器













2014年5月17日,前述《Radio Age》文章中介绍的同一台Crosley WLW收音机成为Estes 拍卖行(在美国俄亥俄州,是全球古董收音机收藏领域最具影响力的专业拍卖行之一)举办的拍卖会上的拍品,最终以7万美元的价格成交(不含佣金和税费),由Sam Samuelian拍得。同时拍卖的Zenith Stratosphere 1000Z以3.7万美元的价格成交。以上实物图片为拍卖前拍摄。








中标买家Sam Samuelian拍摄的Crosley WLW收音机照片。2015年11月,Sam Samuelian试图在ebay以16万美元的价格出售该机,但因价格过高,并无买家出价。


2007年4月28日,Estes拍卖行在俄亥俄州Burbank举办拍卖会中,一台整体陈旧,缺失部分扬声器和个别底盘,没有原装旋钮的Crosley WLW以55,000美元成交,一台状态良好的Zenith Stratosphere 1000Z同样以55,000美元售出。以上图片为该机拍卖时拍摄。关于这次拍卖的报道:
http://antiqueradio.com/Nov07_Chase_Estes.html



2025年8月22日,Stanton拍卖公司举办的2025年夏季音乐器材专场拍卖中,Estes于2007年拍卖的那台Crosley WLW再次现身,最终以37500美元落槌(不含23%的佣金)。随后,买主委托Fred taylor对该机机箱进行了几乎再造式的彻底修复。




这台Crosley WLW机箱修复前后的照片。详细修复过程:
https://antiqueradios.com/forums/viewtopic.php?t=451883






Crosley 3716(WLW)的电路资料,来自《The Crosley Radio Service Manual, Revised and Abridged Edition Covering 1943 Sets and Earlier》
未完待续……
注:以上图片中机器可能经过修复、翻新。未标明出处的图片来自国外网站。
一家之言,仅供参考,欢迎评论指正。
转载自:重温收音机岁月