德生PL757、R-9701、R-818、R-202T系列收音机原理、维修与实测数据
德生系列收音机以体积小、价格适中、音质较好、外形漂亮而著称。在国内市场上占有率很高。尤其以PL757、短波王等著名产品受到了广大消费者的欢迎。遗憾的是随机大多未附电路图,这给日后维修工作带来诸多不便。鉴于此,笔者根据市场上拥有率最高的几款德生系列收音机进行部分产品的剖析,绘出原理图,供广大维修者及消费者参考。由于德生系列收音机大部分采用了金属化孔双面印制板及贴片焊接工艺,因而解剖难度较大,所以这里提供的图纸、数据、资料难以十全十美,仅供参考。
一、PL757数字调谐全波段收音机
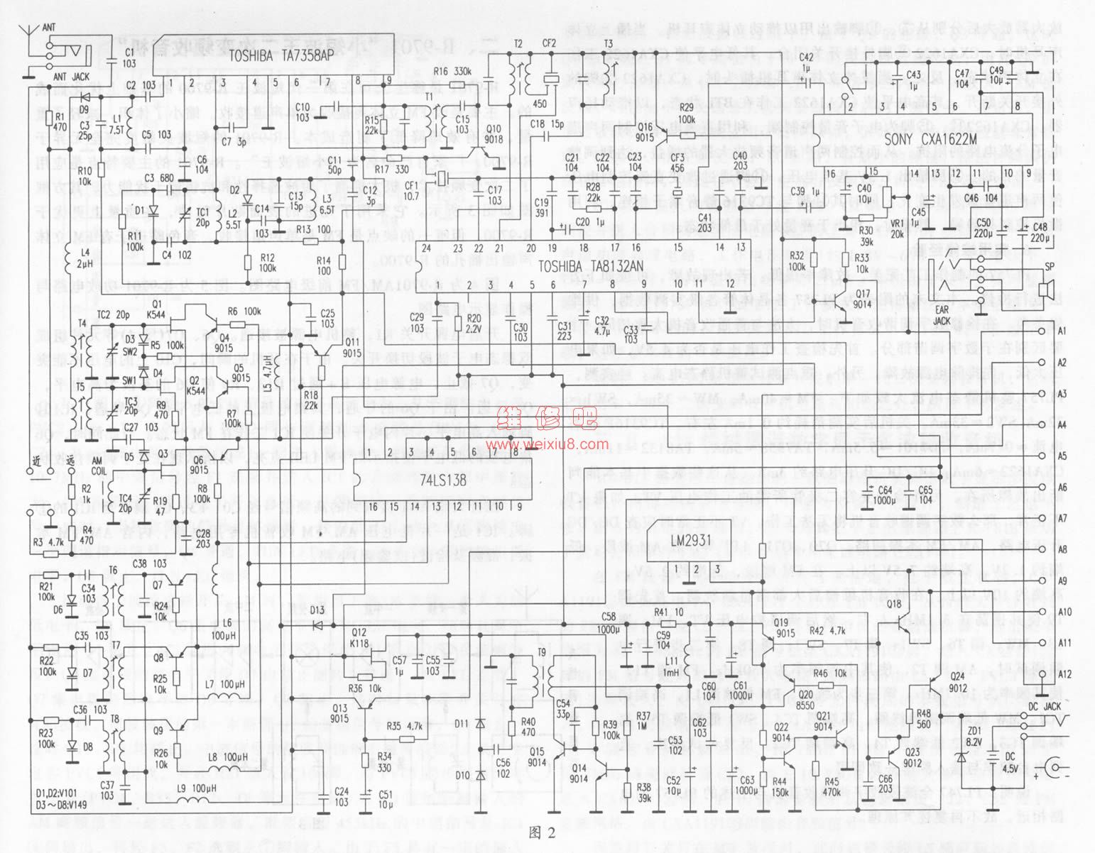
PL757是德生系列收音机中最优秀的一款。无论是外观还是制造工艺都代表了国产袖珍收音机的最高水平。它采用了东芝公司专用数字调谐芯片TC9316F作为整机核心器件,具有直接输入电台频率之先进功能,可预选24个电台频率。系统控制部分如图1所示。收音的前级AM/FM接收,解调及功率放大如图2所示。


1.系统控制电路
TC9316系CMOS 60脚扁平封装,内置LCD驱动器,能输出1/4占空,1/3偏置,重复频率为125Hz的段驱动脉冲。本机具有PLL9kHz、10kHz参考频率可选;75kHz和150kHz石英晶体振荡器可选,由程序控制基准频率,其指令执行的时间分别为80us和40us。锁相环电路包括二分频FM前置分频器,4位吞咽计数器,12位可编程分频器,相位比较器等功能电路,并专门设置了16位通用中频计数器,对于TA8132AN/AP输出的中频信号分频并检出自动调谐的停止信号。这种方式可避免接收某些干扰频率及强台附近的侧边峰信号。Tc9316引脚功能如下。①~20脚与58-60脚可组合成最多60段LCD驱动,由程序决定。21~30脚组成按键矩阵接口,其中25~30脚也可做普通I/O接口,30脚还可作为启动信号输出。31、32脚为波段信号输出端,可配接译码器,根据相应的波段电平来控制相应波段的四路电压,以进行波段转换。40脚为静噪输出端口,在进行调谐过程中,该脚处于高电平状态,控制图2中的TA8132⑧脚中频输出控制端⑨。IFOUT有IF计数脉冲向中央处理器输入进行中频检测,同时控制TA8132的内部线路,使得在自动扫描调谐过程中,19脚输出的音频信号被部分旁路实现静噪。41脚为中频计数脉冲输入端,与TA8132⑨脚电容c33相连。43脚为相位比较器输出,这是PLL鉴相输出端,与处置CPF相配合,产生可变调谐电压,使变容二极管电容改变而产生不同的调谐振荡频率。48脚为中断输入端,这是收音电路制式选择的输入端口,高电平时,与收音有关的电路开启,低电平时则关闭,此时PLL和IF计数器转为复位状态。52脚为置零端,这是系统复位指令输入端,当INT为低电平时,系统复位。当转换到高电平时,程序从0地址开始执行。
在图1中,①~18、58~60脚与LCD之间分别串接了一只贴片电阻(100k),图中未画。在Tc9316F 50、51脚外接75kHz石英晶体,其振荡信号作为CPU的计数脉冲。另外,该振荡频率经内分频作为鉴相器的基准频率,经比较后,若两个频率不同,则由相位比较器输出一个误差电压,由LPF加到变容二极管上,用以改变输入回路的本振频率,直到两个频率一致时才被锁定。由LPF、Q70、Q71产生一个压控电压去改变图2中Q12、D、S的直流电阻,从而达到改变调谐电压VT的目的。图1中的TD7101是一种低电压DTS中使用的双模前置预分频器,其工作频率高达250MHz。
图2中的TA7358⑧脚输出的本振信号经c12耦合至图1中的TD7101②脚内部预分频后从⑦脚输出,再送入Tc9316 46脚,这时LCD上显示的则是设定的(基准频率所对应的)电台频率。图2中的TA8132④脚输出的AM本振信号一路送至Tc9316(图1)44脚,一路送至Tc7101③脚。按下POWER键,Tc9316 34脚输出高电平,Q23、Q24导通,整机得电工作。
2.FM高放电路
图2中的TA7358P及外围元件组成FM高放电路。TA7358P内含FM高放、本振、混频及缓冲放大等电路。拉杆天线接收到调频信号经C1、远/近程开关,加到D9的负极。这时D9的负极经L4、T4、T5接地而导通,因此FM高频信号经c1、R1、D9、C2等元件构成的带通滤波器滤波后加到TA7538的①脚。其②脚的c6为高频旁路电容,④脚外接的c7为混频信号输入耦合电容。由D1、TC1、c3、c4和L2等元件构成压控调谐回路经C7耦合送至调频混频电路。FM本振回路由D2、c13、c14、L3等元件构成,经c11耦合至TA7358⑧脚,经内部缓冲后也送至混频器。混频后10.7MHz中频信号从其⑥脚输出,经T1选频后加至Q10进行预放大,再经CF1选频,最后送至TA8132 24④脚。由于CF1具有一定的插入损耗,Q10的放大量便用以对此进行补偿。在FM波段,当译码器74LS138 15脚输出低电平,Q11导通,TA7358⑨脚得电工作。
3.FM、AM中放、检波。鉴频及附属电路
FM、AM中放、检波、鉴频等电路由TA8132及外围元件组成。TA8132内含AM混频,AM、FM中放,FM鉴频及立体声解码电路。进入图2中的TA8132 24脚的FM中频信号经中频放大,FM鉴频后再经电子开关选通从19脚输出鉴频信号,由c20耦合至18脚进行立体声解码,再从13、14脚输出左、右立体声音频信号。74LS138 15脚的低电平使Q11导通,导通电压又使Q16截止,TA8132 16脚为低电平,因此TA8132工作在FM状态。由于TA8132 15脚外接456kHz陶瓷振荡器CF3,因此38kHz立体声导频信号无需调整,可由456kHz分频后获得(456/12=38kHz)。如果此时接收的是FM立体声信号,则TA8132 11脚输出高电平连续脉冲,经Q17放大后送入图1的TC9316 35脚,LCD便显示双扬声器图标,用以指示现在接收的是FM立体声广播。
此时,按动电子波段开关BAND SELECL,系统将转至MW工作状态。74LS138 15脚电平翻转,Q11截止,TA7358失电而停止工作。当Q16导通后,TA8132 16脚为高电平,使其工作在AM状态。同时74LS138 14脚输出低电平,Q6、Q7导通。AMCOIL、TC4、D5、c27、Q3等元件组成MW压控调谐回路,磁性天线AMCOIL接收到的MW信号经Q3放大后再经电子开关Q6、C29耦合至TA8132①脚。由D6、C34、T6等元件组成MW本振回路,本振信号由电子开关Q7耦合至TA8123③脚进行混频,T6为MW本振线圈。经AM混频后产生的456kHz中频信号从其23脚输出,经T2、CF2选频后,再送入TA8132 21脚内进行AM中频放大及检波。检波后的信号再经内部差分放大,电子开关选通后从19脚输出。这时13、14脚输出的是单声道音频信号。SW1、SW2的工作原理相似,故不赘述。
在这里不难看出,调频、调幅共用了8只变容二极管。D1、D2型号为ISV101,为东芝公司专用FM变容二极管。在FM波段,FM频率在87.5-108MHz之间变化,调谐电压在2.5~10V之间,ISV101结电容在32~12pF之间变化,完全满足FM调谐需要。D3~D8型号为ISV149,也为专用变容二极管,调谐电压VT为1—8V,其结电容变化范围在540~30pF之间,Q值高,容量变化较大。由于在设计时,对每个波段变容二极管已进行了严格配对,故可实现同步跟踪调谐。
TA8132⑥脚外接HPF滤波电容c31,它使正反馈信号中的高频分量旁路,留下低频分量作AGC控制电压。⑨脚是FM/AM中频控制信号输出端,受⑧脚控制。来自控制板TC9316⑩脚的MUTE信号一路送入功放电路,一路送入TA8132⑧脚,从而达到静噪目的。当频率自动搜索到有信号时,⑨脚输出中频控制信号,进入TC9316 41脚的信号频率被锁定,此时的静音控制信号变成低电平,⑧脚中频输出的开关信号关闭,则⑨脚无控制信号输出。
4.DC/DC升压电路
德生收音机供电电压为4.5v,为了保证变容二极管工作所需的1~10V电源电压,因此须对本机的4.5v进行升压。升压电路由图2中的Q14、Q15、T9等元件构成哈特雷振荡电路,产生3.1MHz左右的高频振荡信号,经D10、D11、C55~C57倍压整流、滤波后输出一稳定的电压(本机约16V左右)。该电压经Q12向LPF、Q70、Q71供电,使LPF输的调谐电压VT能完全保证变容_二极管工作正常。
5.功放电路
PL757功放电路采用了SONY公司的双声道功放集成电路CXA1622(见图2)。从TA8132 13、14脚输出的两路音频信号经C42、c39耦合至CXA1622的左右声道端①、16脚,经内部两路独立功率放大器放大后分别从⑦、⑩脚输出用以推动立体声耳机。当插上立体声耳机时,CXA1622②脚外接开关闭合,其低电平使CXA1622工作在立体声状态。反之,当拔掉立体声耳机插头时,CXA1622②脚的外接开关断开,其高电平使CXA1622工作在BTL状态,以推动扬声器。CXA1622 14、15脚为电子音量控制端,利用直流电压控制两声道电子分流电路的阻抗,从而控制两声道音频放大器的增益,达到调整音量的目的。15脚输出1.3V基准电压,14脚通过改变直流控制电压使两声道音量发生变化。同时其14脚与TC9316静音端子相连,利用微机控制其静噪。静噪时,相当于音量处于最低状态。
6.实用维修经验
PL757的制作工艺完美,故障率很低。若出现故障,可按如下方法进行检修。本文末的附表为PL757各晶体管各级实测数据,供维修参考。在检修数字调谐收音机时,方法与普通收音机大致相同,主要区别在于数字调谐部分。首先检查工作电压是否为4.5V,如果电压太低,先排除电源故障。另外,重点测试整机静态电流。经实测,PL757整机静态电流大致如下:FM≈40mA,MW≈35mA,SW1≈32mA,SW2≈33mA。关机后实测消耗约0.1mA左右。TC9316F静态电流≈0.7mA,TD7101≈5.5mA,TA7358≈5mA,TA8132≈11mA,CXA1622≈6mA,DC/DC升压电路约3mA。从这些数据中基本能判断出故障所在。另外检查变容二极管所需的工作电压VT,如果VT不正常,那么数字调谐收音机将无法工作。VT不正常时应查DC/DC升压电路,AM/FM本振回路,Q70、Q71、LPF等。在AM波段,低端约1.2V,高端约7.5V以上。在FM波段,低端约2.5V,高端约10V以上。在收音机维修后大都需重新统调。首先调T9使其振荡在3.1MHz左右,然后调压控电压VT、FM;调L3、MW;调T6,SW1;调T7、SW2;调T8。第二步进行中频调试时,AM调T2,使其中频频率为450kHz。FM调T1,使其频率为10.7MHz。第三步为统调,FM低端调L1,高端调TC1。MW低端调磁棒线圈,高端调TC4。SW1低端调T5、高端调TC3,SW2低端调T4,高端调TC2。反复调试多次,直到电台频率与输入频率一致即可。
说明:PL747全波段数字调频收音机与上述的PL757的电路相近,故不再复述其原理。

二、R-9701“小短波王二次变频收音机”
R-9701是德生公司在第一代短波王R-9700的基础上优化而成的。主要是改FM立体声接收为单声道接收。缩小了体积,减轻了重量,并有效地降低了制造成本。R-9701的短波灵敏度完全无异于R一9700,厂家自己命名为“小短波王”。R-9701的主要特点是应用了二次变频技术,极大提高了短波选择性和抗镜像干扰能力,其方框图如图3所示。它采用了先进的表面贴片元件,在质量上更优于R-9700,但唯一的缺点是FM是单声道接收,音色略逊于有FM立体声输出插孔的R-9700。
图4为R-9701AM/FM前级电路图。图5为R-9701功放电路与操作显示电路图。

开启电源开关K1,整机电源被接通。Q6、Q7(图4)等元件组成双稳态电子波段切换开关。由于在开机的瞬间,C10上的电压不能突变,Q7截止,电源电压E+通过R13、R9使Q6的基极为高电平,Q6导通。由于Q6的导通,其集电极上的低电平使Q4导通,Ic1 14脚输入高电平,片内电子开关使Ic1工作在FM状态。与此同时,Q6集电极的低电平使指示灯FM LED点亮,以指示现在处于调频接收状态。
拉杆天线ANT接收到的高频信号经C0、F3、C5耦合至IC1的①脚。Ic1是一片低电压AM/FM收音机专用电路,内含AM/FM本振、混频及检波(或鉴频)电路。
Ic1(图4)①脚输入的FM信号经内部高频放大,从15脚输出,经PVC2、C8、L4选频后与PVC2同步调频的本振信号(PVC3、L5、C24、IC1 13脚内部元件等组成)一起送入混频器。混频后从③脚输出10.7MHz的中频信号经F1选频并送入IC1的⑧脚再经内部中频放大,FM鉴频后,通过电子开关选通,从11脚输出检波后的音频信号。同时,当接收到的信号足够强时,经内部AGC放大从⑤脚输出一个调谐指示信号,Q5导通,TUN LED点亮。反之Ic1⑤脚输出低电平,Q5截止,TUN LED熄灭。
按动电子波段选择开关AM时,即相当于给Q6基极一个人为的低电平,Q6截止。Q6集电极的高电平使FM LED熄灭,同时其高电平也使Q4截止,Ic1 14脚内部电子开关促使Ic1自动工作在调幅波段。Q6集电极的高电平又使Q7由截止翻转为导通,AM LED点亮。Q7集电极的低电平使Q8导通,Q3截止。这时如果波段开关打在MW波段,短波波段的第一本振管Q2的基极信号被短路,Q2截止。这时Q10、D1均截止。中波信号的接收及选频由磁棒线圈L1及可变电容PVC1等组成,并经R21送入Ic1 16脚。与PVC1同步调谐的本振信号(PVC4、R35、R12、T8等元件组成)从Ic1 12和16脚输入的AM高频信号一起送入混频器,混频后得455kHz的中频信号从IC1④脚输出,再经F5、F2选频从⑦脚输入。由于F5具有一定的插入损耗,于是加了一级Q9预放大。从⑦脚输入的455kHz中频信号经AM中频放大,AM检波,再经电子开关选通,从11脚输出检波后的音频信号。
不论图4的波段开关拨动在SW1—SW7中的任一位置,中波本振线圈T8均被切断。拉杆天线ANT接收到的AM信号经C0、F3耦合至波段开关上与T1~T5等元件组成短波段带通滤波器。石英晶体x1-x7与Q2等元件组成短波段第一本振回路,Q2起振后,Q3导通,场效应管Q11(2SK544)得电工作。Q3导通后,Q10、D1均导通,PVC1调谐回路被短路,可有效防止中波信号进入IC1。从天线接收到的AM高频信号和第一本振管Q2输出的本振信号一起送入混频级Q11。Q11在这里作混频管,其优点是输入阻抗高,噪声低,动态范围大,基本克服了接收机噪声大,易过载等缺点,还使整机的灵敏度,选择性大大改善。混频后的信号经R2、T9、F4选频得10.7MHz中频宽带信号送入Ic1 16脚。在F4的输出端并有阻尼电阻R21,其通频带≥500kHz。而且通带外衰减很大,它只允许10.7MHz±0.25MHz频带内的信号通过。SW1~SW7每个波段的频率均≤500kHz,因此可将每一个波段的不同信号变频到10.7MHz±0.25MHz范围内。

T7、c18、R35、PVC4、R12等元件组成第二本振回路从Ic1 12脚输入,与从Ic1 16脚输入的第一中频信号一起送入混频器混频得到455kHz中频信号从④脚输出。T7为第二本振回路的本振线圈,改变PVC4的容量可改变第二本振频率,因此可从带宽为500kHz的第一中频信号中找出某一电台频率,并将其变频为455kHz的第二中频信号。从Ic1④脚输出的中频信号再经F5、F2选频后从Ic1⑦输入。虽然本机短波采用了二次变频,但其灵敏度比中波接收效果要差一些,加之,F5有一定的插入损耗,因此这里加有一级预放大,由Q9等元件组成。在短波接收过程中,由于Q2的起振,Q3导通,这时Q1也导通。Q1的导通相当于将Q9的发射极直接接地,因此Q9的放大能力加强。从Ic1⑦脚输入的中频信号经内部中频放大,AM检波后,再由电子开关选通从11脚输出检波后的音频信号。在这里,由于短波段的第一次变频使用了石英晶体,因此第一中频频段就非常稳定。虽然第二次变频使用了Lc回路,有微小的频偏,但这种频偏仍在正常范围内,因此它不会产生逃台及飘移,可与PLL系统抗衡。
Ic1 11脚输入的音频信号经R33、C2耦合,再由音量电位器w调控并送入音频功放集成电路。IC3的①脚,TA7376P实际上是一片双声道功放集成电路,工作电压极宽(约1.8V~6V)。在3V电压下,THD=10%时,每声道输出功率为21mW。本机由于没有立体声鉴频能力,故TA7376P设计成BTL工作模式,使得输出功率成倍增大。即使在使用耳机时,Ic3仍为BTL工作方式,两只耳机只不过是串联,这便是本机的一个缺点。
说明:R-9700是德生公司开发的第一代二次变频收音机,它与上述的R-9701二次变频收音机电路有相似之处,所以不再复述。
三、R-818机械调谐数字显示多波段收音机
R-818是德生公司推出的一款袖珍型机械调谐数字显示多波段收音机,内部结构极为紧凑,印板为双面孔化设计,制造工艺也不错。图6为其电路原理图。图7为其数字显示原理图。R-818采用了索尼公司单片FM/AM收音机专用集成电路CXA1191。


在FM波段,Q6基极被波段开关接地,处于截止状态,CXA1191 15脚为高电平,CXA1191工作在FM状态。从拉杆天线接收到的FM高频信号经C5、L2、C3等元件组成的带通滤波器,选出频率范围为88~108MHz的FM信号送至CXA1191 12脚。送入CXA1191 12脚的FM信号经内部选频放大电路(选频回路由L3、L5、PVC3等组成)选频放大。由L4、C8、PVC2等元件构成的本振信号从⑦脚输入,与FM选频信号一起送入CXA1191内部混频而产生10.7MHz的FM中频信号从14脚输出。10.7MHz的FM中频信号经R10加至10.7MHz陶瓷滤波器CF2,滤去10.7MHz以外的大部分杂散信号后送入CXA1191 17脚,在Ic内部鉴频后从23脚输出。T2、C33为FM鉴频网络。由CXA1191 23脚输出音频信号。
当波段开关打在MW波段时,此时磁棒天线L5感应到的高频信号经PCV4选频,由波段开关转换送入CXA1191 ⑩脚。MW波段本振信号由T4、C24、PC1等构成,并送入CXA1191⑤脚与送入 10脚的MW高频信号一起送入内部混频器混频形成465kHz的AM中频信号从14脚输出。在SW1~SW6波段时,拉杆天线接收到的高频信号经L1、C1、C4、T2-T7等元件组成的带通滤波器滤波后送入CXA1191⑩脚。SW1~SW6的本振回路由T3、T5、T6、C25、PVC1等元件组成,并送入CXA1191⑤脚,与⑩脚送入短波高频信号一起送入混频器混频后得465kHz中频信号从14脚输出。从14脚输出的AM中频信号经R9、C12、T1、CF1选频、滤除465kHz以外的大部分杂波后送至CX1191 16脚,该中频信号在其内部放大,检波后由23脚输出,再经c16耦合至24脚内部功率放大器放大后从27脚输出音频信号以推动扬声器或耳机。
R-818虽为传统的可变电容作为调谐方式,但其电台频率可在液晶屏上直观显示,这便是该机与传统收音机的不同之处。驱动液晶显示的是一片软封装的大规模IC芯片ASPAP902L。ASPAP902L内含时钟系统、LCD驱动系统及运算逻辑部件等。给收音机装上电池(或插上外接电源)后,3v电压通过图4中的RZ给ASPAP902L①脚供电,此时ASPAP902L得电工作,时钟系统启动,按动13、14外接HOUR及MIN键便可以设置当时的准确时间。alarmset(定时开机)、timerset(时间设置)、alarm ON/OFF(定时控制功能)均可以任意设定。开启电源开关,+3V电压对CXA1191 26脚供电,该电压还同时送入ASPAP902L 11脚,收音机开始工作,液晶显示器显示的将是对应的某个波段的电台频率,在调谐时,让显示电台频率与实际工作频率一致,便可以听到优美的广播了。
设置好定时开机时间,开启电源开关,找到一个标准的电台频率后再关掉电源,同时按一次定时控制键alarm ON/OFF,显示屏将显示一个(((·)))符号。当到了设定开机时间时,ASPAP902L ⑩脚输出一个低电平,图4中的Q4导通,相当于短接了电源开关,CXA1191得电工作。并接收到关机前设定的电台节目。与此同时,ASPAP902L⑩脚输出的低电平也使图4中的D1导通,Q7截止,电源开关与音量调节将不起作用,只有再按一次控制功能键才能关闭收音机。CXA1191⑤脚和⑦脚输出的本振信号通过插件输入到ASPAP902L④、②脚,而LCD显示的则是其本振信号所对应的电台频率。说明:R-808多波段袖珍收音机与上述的R-818电路工作原理基本相同,仅省去了LCD数字显示电路,为普通拉线指针显示,这里不再复述。
四、R-202T两波段袖珍式收音机
R-202T是德生公司开发的一种普及型两波段单片收音机,其核心器件仍采用的是SONY单片收音专用集成电路CXA1191,它具有接收灵敏度高,输出功率大,噪声低等优点。图8为为R-202T实际电路原理图。从图中可以看出该芯片是一种内含FM/AM高效、混频、中放及末级功率放大的单片收音专用Ic。其②脚外接的L4、c10为串联谐振电路,目的是使FM鉴频电路有较高的增益。③脚外接的C9为负反馈电容,改变w的阻值就可改变CXA1191 27脚输出的音频信号的幅度,从而达到调整音量的目的。
说明:由于R-202T、R-808、R-818等均选用的是单片收音专用Ic CXA1191,因此这三款收音机在维修方式上基本相同。在出现完全无声的情况下,首先检查电源电压是否正常,然后测其静态电流是否正常。若电压正常,电流为零,很可能是通往CXA1191 26脚引线,铜箔断路,电池簧片生锈。若电流大于12mA,则重点检查滤波电容是否漏电。

五、维修实例
例1.故障现象: 一台R-202T,FM/AM波段均无电台。
分析与维修:该机虽在两个波段均无电台,但喇叭中有“沙沙”的噪音,因此功放电路及电源电路正常。只要测试CXA1191⑧脚电压是否在1.2V左右即可。实践证明,CXA1191稳压电路出现故障机会较多。测CXA1191⑧脚电压为1.23v,正常。与AM/FM公共通道有关的电路大致有C14、R2、C15、T2、C16、CF1、CF2、C17~C20及CXA1191本身。根据经验,电路中的电阻损坏极少,而电容的损坏占有相当大的比例,用放大镜观察这些易损器件时,发现C14表面有黑斑。用一只同规格瓷片电容代换,故障排除。
例2.故障现象:一台PL757收音机自动搜索时能静噪,但不能自停。
分析与维修:在自动搜索时,所有波段均不自停,但能静噪。由于所有波段均不自停,故障一般出在公共通道上,如Dc/Dc升压电路或有源低通滤波器。在自动搜索过程中,用万用表测Q70、Q71 VT电压,发现仅能在0.6—1v之间变化,因此怀疑DC/DC升压电路有问题,测Q15集电极电压极不稳定,当碰触C52时更明显。用一只10uF的钽电容替换原先那只电解电容后,故障排除。
例3.故障现象:一台R-818收音机收音正常,但频率显示出入较大。
分析与维修:在收听9.39MHz广播时,显示屏显示为93.4MHz,这时如果波段开关切换到中波690kHz时,频率显示则为9545kHz。正常的SW 5.94MHz却显示为99.54MHz。因为收音正常,只要检查收音机与显示板之间的连接是否正常,显示板CPU与外围元件是否有异常现象。经查为收音板与控制板之间的第4号引线脱焊而造成。由于R-818在收音板与控制板之间使用的是散装引线而绞合在一起的,张力较大且引线较细,只要受到外力或摔动的情况下,很容易出现脱焊现象。
例4.故障现象:R-9701 FM波段收音正常,而AM波段收不到电台。
分析与维修:在AM波段收不到电台,一般出在波段切换开关及IC1 CD2003GP本身或外围元件。在切换波段时,AM/FM LED能点亮,可证明波段切换开关基本正常。测Ic1各引脚电压正常。在将电台波段切换到AM时,试用一只0.01uF电容并联在F2两端,调谐时能勉强收到几个本地强信号电台。更换F2后,故障排除。

文章目录