频率范围:
LW 160-250KHZ
MW 531-1600KHZ
SW 6-18MHZ
FM 88-108MHZ
Sony ICF 1000L MONO Mains/BATT 4W NEU 10
General
Product Type: Portable radio
Width: 29.7 cm
Depth: 8 cm
Height: 14.1 cm
Weight: 1.32 kg
Enclosure Colour: Brown, golden
Localisation: English
Audio system
Tone Control: Yes
Radio
Type: Radio tuner - 4-band - radio tuner - AM/FM , LW, MW, SW
Tuning Display: Tuning scale
FM Preset Station Qty: 3 preset stations
Aerial Form Factor: Built-in AM / telescopic FM
Connections
Connector Type: 1 x headphones
Manufacturer"s product description
Stay in touch with the outside world, wherever you go! Sony Portable Radio choices range from pocket-sized transistor radios to digital-tuning models with TV and Weather band reception. You can even choose among splash-proof models that will keep you up on the latest news while you shower! ICF1000L specially designed high sound quality radio features analog FM/MW/LW/SW tuner, 3 FM presets, tone control, and tuning indicator.
Power
Power Device: Power supply - integrated
Battery
Battery: 4 x battery - AA type
Manufacturer warranty
Service & Support: 1 year warranty
Service & Support Details: Limited warranty - 1 year
Ciao
Listed on Ciao since : 22/04/2004
先上SONY ICF-1000L的广播生活图
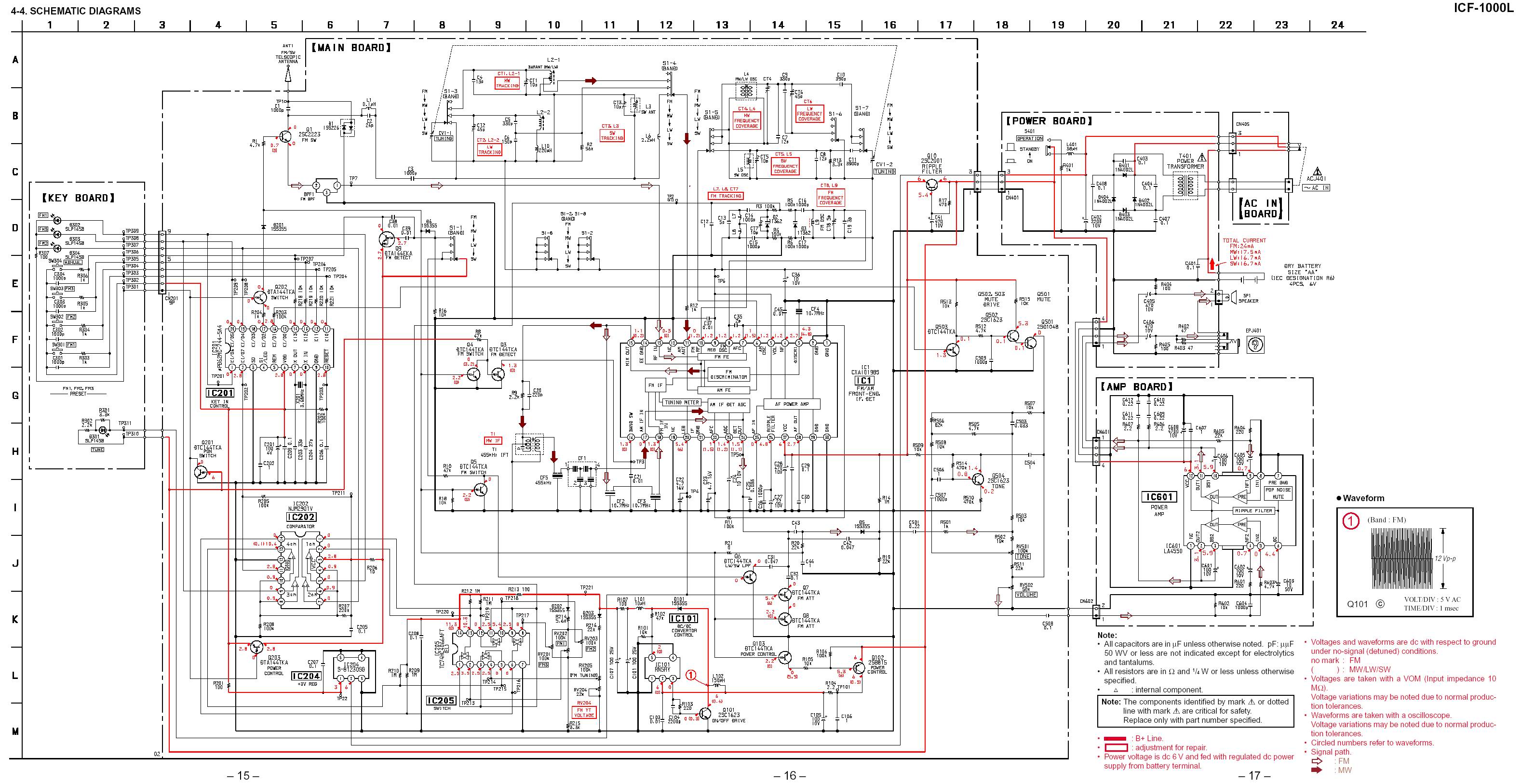
再上SONY ICF-1000L的电气电路图
