印板图:
元件面:
检查图:
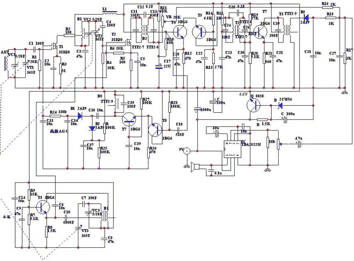
关键器件数据:
磁棒天线32+32匝0.07X28股纱包线绕制
高放线圈60+30匝0.09漆包线绕制
振荡线圈1-2 67匝 2-3 5.5匝(0.09漆包线) 4-5 11.5匝(0.1漆包线,绕在里面)
高放混频振荡部份:
高放AGC:
中放:
TDA2822M:
自制的三联1:
自制的三联2:
装好后的样机1:
装好后的样机2:
参考了《晶体管收音机中的新技术》一书中9页、208页的两图:
第二图中少画了一个110K的电阻。
制作:
双栅场效管拆自彩电高频头。
高放线圈用中波振荡线圈改制。
三联可用成品也可自己用双联改制(我的就是用双联改制的)。
关于灵敏度(没有仪器,只能主观评测一下):地处滇中小县城,试了一下远距离的可接收到成都台、贵州台、四川台、广西、郑州等省市弱信号台。特别是成都台河南台以前从没有收到过(用3P2或3P7)。
处于电磁环境不佳的朋友没有必要制作此机。
错误之处请大家指正。
