广播发烧网欢迎您!
请登录
免费注册
网站首页
玩机交流
收音机
交流
评测
故事
机型研究
电路及维修
相关附件
电波动态
动态
BCL
QSL
数码时代
网络收音机
智能收音机
收音机APP
关于本站
关于本站
免责声明
联系我们
机型研究
一个专门探讨收音机、无线电资源的广播发烧友网站 —— www.5BCL.com
首页
机型研究
电路及维修
机型研究
电路及维修
相关附件
电路及维修
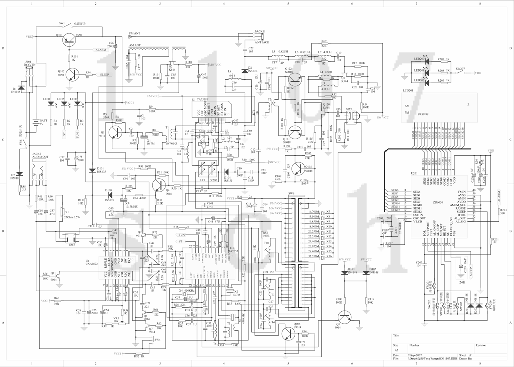
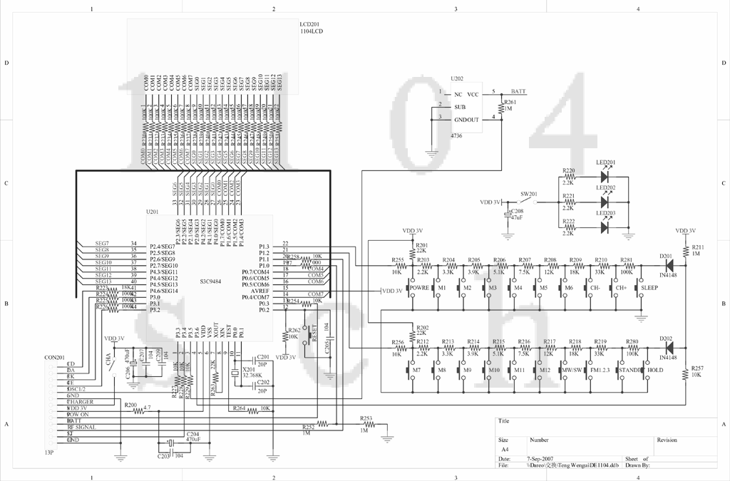
德劲1104、1107电路图
作者:
xyz^_^
日期:
2007-09-08
人气:
2097
来源:
广播爱好者论坛
添加:
5BCL.com
0
赞
0
踩
付款方式
×
支付:0.00元
广播发烧网 © 2007-2026 www.5bcl.com, All Rights Reserved.
苏ICP备06057363号
网站地图
在线留言
返回顶部