
选什么电路考虑了许久,老电路现在只能是又造个“高仿”假古董。本人性格喜欢新鲜的东西,喜欢创造性的事物。于是就决定自己设计电路,作一个晶体管和集成电路混合的双调谐高放式收音机。电路如下:
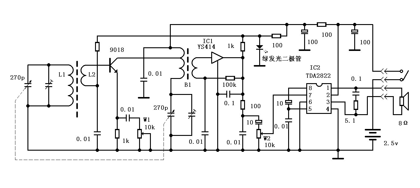
高放式收音机调整简单,适合业余制作。IC1是收音机专用放大集成电路,类似的型号还有BS414、IN414、MK484、NT484等。W1是手动高放增益控制,它能有效地控制高放级的增益。W2是音量控制。270p的双连可变电容构成双回路调谐,双回路调谐是为了提高选择性。
由于是用袖珍机壳,磁棒只能用10X100的磁棒。为了提高磁棒的效率,采用两个磁棒并用,它等效于10X200的磁棒。磁性天线用0.07x28的线分段绕制,初极25+15圈,次极6~8圈。为了提高Q值,线圈采用乱绕的方法制作。B1用TTF-2-9中周改制,初极80+40圈,次极25圈。
绿色发光二极管做电源指示和调谐盘照明,同时也兼做稳压管。
为了使用方便在调谐旋钮上加了齿轮,调谐旋钮旋转角度扩大近一倍。为了减少音量控制电位器的磨损,另外加了一个电源开关。同样为了维修方便,喇叭、耳机插座和电源开关的接线都采用插头、插座方式连接。
装好后效果出人意料地好。灵敏度很高,噪声很小,调台时基本没有噪声。音质很好,外接电脑音箱时有“蓬蓬”声。本地电台声音与调频广播质量相差不大。
缺点是选择性差了一点,收弱台时混有强台的声音。
本机的音质也很好,主要归功于直放式收音机的带宽比外差式的要宽。同时也没有镜像和差频什么的干扰。我的体会是尽量提高磁性天线的效率,磁性天线是无源器件,本身不会产生噪声。提高磁性天线的效率比多加一级放大效果好得多。各级放大分开,减少相互干扰,都能有效的降低了噪声。
通过安装这台机后终于明白什么叫返璞归真。
现在的问题是怎么样提高选择性。希望网上的各位大哥、兄弟们提供宝贵的经验。